浸出搅拌槽产品简介:
浸出搅拌槽是一款参照美国技术设计的氰化浸出搅拌设备。叶轮可以做成二层、三层、四层等,搅拌均匀,能耗低;叶轮包胶,使用寿命长;采用多点给气,充气均匀。浸出搅拌槽适用于比重小、粘度低、沉降速度慢、矿石粒度在-200目占90%以上,矿浆浓度小于45%的黄金浸出、吸附及其它混合作业中。

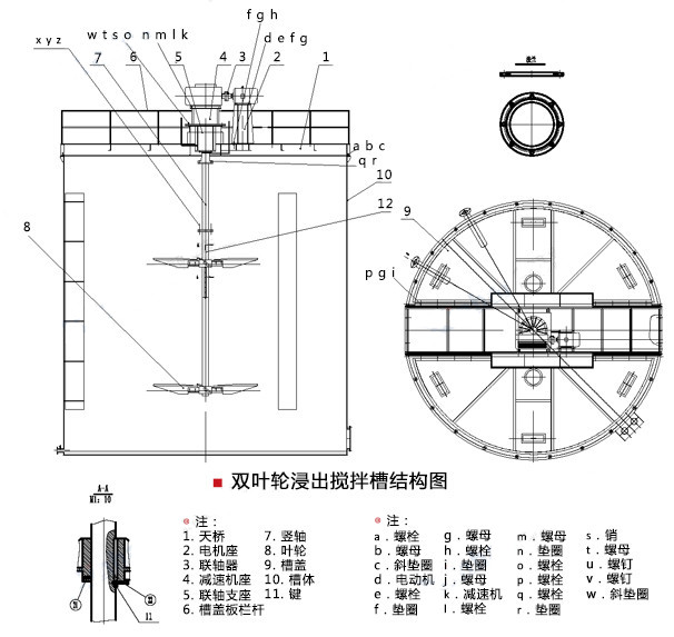
浸出搅拌槽工作原理:
浸出搅拌槽的矿浆是在多叶轮的拖动与搅拌作用下,在中心由上至下流动,经周边的阻尼板进行扩散,在轴的下端给入空气,与矿浆进行混合并向上循环,形成均匀的悬浮混合液。搅拌设备的主要特点:设计采用低转速、大叶轮方案,并配有导流板和阻流板结构设计,使矿浆形成“W”流向,从而达到低能耗、低磨损,有效延长设备整体使用寿命的目的。搅拌强度大,不沉槽、矿浆悬浮度高,槽体底部设有导流锥以消除搅拌“死角”,避免颗粒沉积堆料,可用于矿石密度≥3.0t/m3,矿浆浓度30—50%高浓度矿浆搅拌;物料(矿浆)从槽体上侧进入锥形旋料筒与从槽顶加入的药剂初步混合,再进入槽体中心,经搅拌混合后物料(矿浆)从上部溢流堰排出,可防止物料“短路”,同时使药剂在物料表面得到充分的作用。

浸出搅拌槽产品特点:
1、矿流运动平稳,矿浆混合均匀,动力消耗少;
2、空气经传动中空轴进入槽内,经叶片搅动,空气分散均匀;
3、结构紧凑,维修方便;
4、中空轴通气至底端,空气经其进入槽内,分散均匀,气泡小;
5、采用两个新型叶轮,搅拌槽叶轮直径大,转速低,搅拌功耗小,可减少炭的磨损;
6、搅拌强度适中,槽内矿浆浓度、细度分布一致,可提高氰化的浸出率和炭的吸附率;
7、浸出搅拌槽叶轮衬有耐磨橡胶,转速低,使用寿命长。
浸出搅拌槽产品优势:
1、高效率,合理的流体流迹设计,使槽内矿浆按W型流迹上下循环,矿浆中的固体粒子得到充分的分散。配合独特药剂添加装置,将药剂在矿浆中均匀、充分地分散,加快药剂作用效果,从而降低药剂消耗。
2、低能耗,该搅拌槽优化设计了新型结构的低能耗配套筒体、搅拌叶轮、导流板及折流板,与国内通用搅拌槽比较,单位容积电耗下降1/4—1/3。
3、低磨损,能有效延长设备整体使用寿命,在同等叶轮材质下,叶轮寿命提高6倍以上。如衬耐磨橡胶,则可提高10 倍以上。
4、高强度,不沉槽,矿浆悬浮度较高,特别适合矿石密度≥3t/m3的矿浆搅拌。
5、易维修,零部件易拆卸,制作,维修方便,采用国内名牌减速机,免维护,延长了轴和轴承的使用寿命。
浸出搅拌槽技术参数:
根据客户浸出工艺及流程订做。
备注:
本网站的产品图片以及型号、数据、功能、性能、规格参数等仅供参考,以上数据会随石矿尺寸、性质和工作环境的不同而有所变动,昆明yy易游网页入口官网机械有可能对上述内容进行改进,具体信息请参照产品实物、产品说明书。除非经特殊说明,如有变动恕不另行通知,具体参数以实物为准。本网站中所涉及的数据解释权均归yy易游网页入口官网机械所有。